自由脚轮板式中负荷用性别橡胶脚轮:GSB-g300
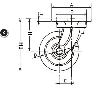
車輪外径(D) 300mm 許容荷重 360kg 金具高さ(H) 210mm 車輪取付総高(H1) 360mm 取付穴ピッチ(P) 150x150mm 偏心(E) 105mm 取付穴径(d) 15mm 取付座厚さ(t) 12.5mm 取付座寸法(A) 187mm 自重 12.6kg
全国服务热线:0512-87814269-分机802
在线咨询車輪外径(D) 300mm
許容荷重 360kg
金具高さ(H) 210mm
車輪取付総高(H1) 360mm
取付穴ピッチ(P) 150x150mm
偏心(E) 105mm
取付穴径(d) 15mm
取付座厚さ(t) 12.5mm
取付座寸法(A) 187mm
自重 12.6kg




微信二维码
官网二维码