【 微信扫码咨询 】
重轮式搬运车用okamotokoki冈本工机脚轮/车轮型号:MCB-CD75-12
苏州上野机电设备有限公司询价咨询电话:18912690459 同微信

特点:
MCB-CD(导电MC尼龙材质,含轴承)
:采用导电级MC501CD材料制成的轮子。
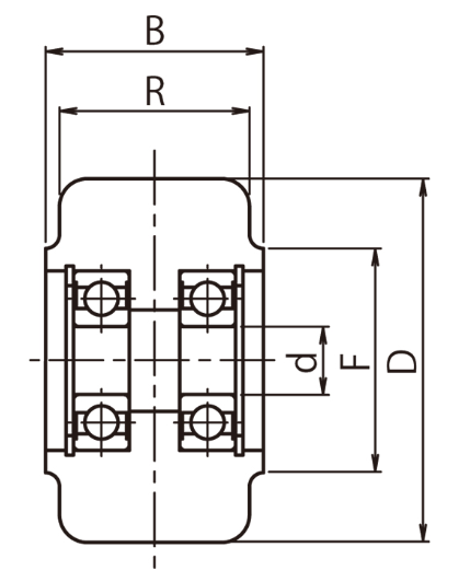
:φ50型号配有608ZZ轴承。
:φ65和φ75型号配有6201ZZ轴承。
:可与其他型号(JW、KW、L-JW,仅限φ65和φ75)组合使用。



苏州上野机电设备有限公司销售型号:
苏州UENO N50特殊塑料树脂,带衬套设计
苏州UENO N65特殊塑料树脂,内置轴承
苏州UENO N75特殊塑料树脂,内置轴承
苏州UENO MCA50MC尼龙材质,无轴承
苏州UENO MCA65MC尼龙材质,无轴承
苏州UENO MCA75-12MC尼龙材质,无轴承
苏州UENO MCB50MC尼龙轴承款
苏州UENO MCB65MC尼龙轴承款
苏州UENO MCB75-12MC尼龙轴承款
苏州UENO MCB-CD50导电性MC尼龙材质,内置轴承

